
Αυτόματη Μηχανή Ψεκασμού Αβγού
Η ELECTRONORD OE αναλαμβάνει πλήρως την κατασκευή, καλωδίωση και υλοποίηση του αυτοματισμού για μία ολοκληρωμένη Αυτόματη Μηχανή Ψεκασμού Μείγματος Αβγού–Νερού για βιομηχανική παραγωγή τροφίμων.
Το σύστημα μπορεί να υλοποιηθεί:
- με Απλή λογική αυτοματισμού με ρελέ και αισθητήρες (χωρίς PLC), ή
- με PLC & οθόνη HMI για περισσότερο έλεγχο, παραμετροποίηση και επιπλέον δυνατότητες (συνταγές, μετρητές, alarm κ.λπ.).
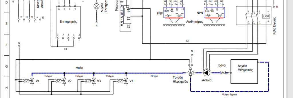
Στη βασική εκδοχή χωρίς PLC, ο αυτοματισμός βασίζεται σε:
- ρυθμιζόμενα ρελέ
- φωτοκύτταρα ανίχνευσης ταψιών
- 4 ηλεκτροβαλβίδες υγρού
- 3-οδη ηλεκτροβάνα για ανακυκλοφορία/bypass
- αεροκίνητη διαφραγματική αντλία τροφίμων
- ηλεκτροβαλβίδες αέρα (τοπικές & κεντρική ασφαλείας)
Αντλία Μείγματος (Food Grade)
Η μηχανή χρησιμοποιεί διπλή διαφραγματική αντλία πιστοποιημένη για τρόφιμα (food grade), η οποία:
- λειτουργεί με πεπιεσμένο αέρα για μέγιστη μηχανική αντοχή
- είναι κατάλληλη για παχύρευστα μίγματα όπως αβγό–νερό
- προσφέρει σταθερή ροή με δυνατότητα ρύθμισης μέσω ρυθμιστή αέρα
- ελαχιστοποιεί τη φθορά, αφού δεν υπάρχει ηλεκτρικός κινητήρας σε άμεση επαφή με το μέσο
Δοχείο Μείγματος & Ανάδευση
Το μίγμα αβγού–νερού αποθηκεύεται σε ανοξείδωτο δοχείο κατάλληλο για επαφή με τρόφιμα, ενσωματωμένο στο συνολικό μηχάνημα.
- Δοχείο από ανοξείδωτο χάλυβα (Inox) food grade.
- Ενσωματωμένος αναδευτήρας (κινητήρας + άξονας) για να μην «κάθεται» το αβγό και να παραμένει ομοιογενές το μίγμα.
- Στον πίνακα αυτοματισμού υπάρχουν όλα τα απαραίτητα ασφαλιστικά για τον κινητήρα ανάδευσης (ασφάλειες, μαγνητοθερμικός, θερμικά/προστασία υπερφόρτωσης) για ομαλή και ασφαλή λειτουργία.
Μπεκ & Ηλεκτροβαλβίδες
- Η κατασκευή διαθέτει 4 ανοξείδωτα μπεκ (Inox) κατάλληλα για τρόφιμα.
- Πριν από κάθε μπεκ παρεμβάλλεται μία ανοξείδωτη ηλεκτροβαλβίδα υγρού (SS σώμα), για ανεξάρτητο και ακριβή έλεγχο της ροής.
- Το τελικό πέτασμα ψεκασμού σχηματίζει νεφέλωση τύπου βεντάλιας ή ομπρέλας με χρήση πεπιεσμένου αέρα, ο οποίος ελέγχεται από ηλεκτροβαλβίδα αέρα.
Κεντρική Ηλεκτροβαλβίδα Αέρα & Ασφάλεια
Στο σύστημα αέρα υπάρχει μία κεντρική ηλεκτροβαλβίδα αέρα ασφαλείας, μέσω της οποίας τροφοδοτούνται τόσο η αεροκίνητη διαφραγματική αντλία όσο και οι γραμμές αέρα των μπεκ.
- Σε περίπτωση διακοπής του συστήματος ή
- εάν πατηθεί το Emergency Stop,
η κεντρική ηλεκτροβαλβίδα κλείνει, διακόπτοντας άμεσα τον πεπιεσμένο αέρα προς όλο το σύστημα. Έτσι:
- σταματά η αεροκίνητη αντλία
- σταματά η νεφέλωση/ψεκασμός στα μπεκ
- το σύστημα επανέρχεται σε ασφαλή κατάσταση (χωρίς πίεση αέρα).
Περιγραφή Λειτουργίας
Δύο φωτοκύτταρα reflective τοποθετημένα σε απόσταση περίπου 3 cm μεταξύ τους ανιχνεύουν την παρουσία του ταψιού στη ζώνη ψεκασμού.
Όταν και τα δύο φωτοκύτταρα βλέπουν ταψί, ενεργοποιείται το μικρορελέ που:
- ανοίγει τις 4 ηλεκτροβαλβίδες υγρού προς τα μπεκ
- αλλάζει θέση στην 3-οδη ηλεκτροβάνα ώστε το μίγμα να οδηγείται στα μπεκ (αντί για bypass)
- ενεργοποιεί την ηλεκτροβαλβίδα αέρα για τη δημιουργία νεφέλωσης τύπου βεντάλιας/ομπρέλας
Όταν τουλάχιστον ένα από τα δύο φωτοκύτταρα πάψει να βλέπει το ταψί (καθώς αυτό απομακρύνεται):
- το ρελέ αποδεσμεύεται
- οι ηλεκτροβαλβίδες κλείνουν και διακόπτεται ο ψεκασμός
- η 3-οδη γυρίζει σε bypass / ανακυκλοφορία προς το δοχείο μείγματος
- σταματά η παροχή αέρα στα μπεκ, αποφεύγοντας σταξίματα στη μεταφορική ταινία
Στοιχεία Συστήματος
- Διπλή διαφραγματική αντλία τροφίμων (air-operated)
- Ανοξείδωτο δοχείο μίγματος με ενσωματωμένο αναδευτήρα
- 4 ηλεκτροβαλβίδες υγρού (Inox)
- 4 ανοξείδωτα μπεκ νεφελοποίησης τύπου βεντάλιας/ομπρέλας
- Ηλεκτροβαλβίδα αέρα για τον ψεκασμό
- Κεντρική ηλεκτροβαλβίδα αέρα ασφαλείας (κοπή αέρα σε Emergency Stop ή βλάβη)
- 3-οδη ηλεκτροβάνα για bypass / ανακυκλοφορία
- 2 φωτοκύτταρα reflective για ακριβή ανίχνευση ταψιών
- Τροφοδοτικό 24VDC για φωτοκύτταρα & ρελέ
- Μικρορελέ 24VDC για την ενεργοποίηση συστημάτων
- Ρελέ ισχύος για την αντλία και τον αναδευτήρα
- Μαγνητοθερμικοί & θερμικά προστασίας για κινητήρες αντλίας/ανάδευσης
- Επιτηρητής φάσεων με ενδεικτική λυχνία
- Όλα τα απαραίτητα ασφαλιστικά για τον πίνακα αυτοματισμού και την ομαλή λειτουργία των κινητήρων
Κύρια Πλεονεκτήματα
- Πλήρης κατασκευή & παράδοση μηχανής από την ELECTRONORD OE
- Επιλογή καλωδιωτής λογικής ή PLC + HMI ανάλογα με τις ανάγκες
- Βιομηχανική αξιοπιστία και γρήγορη απόκριση
- Ασφαλής λειτουργία με κεντρική ηλεκτροβαλβίδα αέρα & πλήρη ηλεκτρική προστασία
- Ομοιογενές μίγμα χάρη στον ανοξείδωτο αναδευόμενο κάδο
- Ελάχιστη σπατάλη μείγματος αβγού και καθαρή ταινία χωρίς σταξίματα
Εφαρμογές
- Γραμμές παραγωγής τροφίμων
- Αρτοποιεία / βιοτεχνίες
- Ταψιά με επικάλυψη αβγού πριν το ψήσιμο
- Εκβιομηχάνιση χειροκίνητων διεργασιών ψεκασμού
